创建一个游戏系统,其将运行在互联网的环境中。客户端通过WWW服务或特定的客户端软件连接到游戏服务器,随着流量的增加,系统不断的膨胀,最终后台数据、业务逻辑被分布式的部署。然而相比中心化的系统,复杂度被无可避免的增大了,该如何降低各个组件之间的耦合度。
挑战:需要保证可伸缩性、可维护性、可更新性,需要将服务划分为各个相对独立的组件,组件被分布式的部署,它们之间通过进程间通信方式实现交互。服务的增加、删除、改变都应该被支持。理想情况,以开发者的角度看,集中化的系统和分布式的系统在中心逻辑上没有什么不同。为实现这个目标:
l 可以远程的访问服务,而对于访问者,服务的位置应该是透明的。
l 提供服务的组件可以增加、删除、改变,而且这些在运行期同样应该被支持。
l 访问服务的客户端不应该关心服务的实现细节。
解决方案:引入一个Broker组件,解耦客户端和服务端。服务端注册自己到Broker,通过暴露接口的方式允许客户端接入服务。客户端是通过Broker发送请求的,Broker转发请求道服务端,并将请求的结果或异常回发给客户端。通过使用Broker模式,应用可以通过发送消息访问远程的服务。
这一架构模式允许动态的改变、添加、删除服务端,从客户端的角度,这些都是透明的。
结构:Broker模式定义了6中类:Client,Server,Client_Proxy,Server_Proxy,Broker,Bridge。
Server:l 责任:处理特定领域的问题,实现服务的细节,注册自己到Broker,处理请求并返回结果或异常。
l 协作类:Server_Proxy,Broker
Client:Client是需要访问远程服务的应用程序,为此,Client发送请求到Broker,并从Broker上接收响应或异常。Client和Server只是逻辑上相关而已,实际上Client并不知道Server的确切位置。
l 责任:1. 实现用户端功能,2. 发送请求到Broker,3. 接收相应和异常。
l 协作类:Broker,Client_Proxy
Broker:Broker可以被看成消息转发器。Broker也负责一些控制和管理操作。它能够定位服务端的位置,若发生异常,能够将异常捕获传给Client。Broker需要提供注册服务的接口给Server。如果请求来自其他的Broker,本地的Broker需要转发请求并最终将结果或异常回应给相应的远程Broker。Broker提供的服务和name service非常相像(如DNS、LDAP)。
l 责任:1. 注册服务。2. 提供服务API。3. 转发消息。4. 容错处理。5. 与其他Broker的交互。6。 定位服务。
l 协作类:Client_Proxy,Server_Proxy,Bridge
Client_Proxy:连系Client和Broker,这一层保证了通讯的透明性,使Client调用远程服务就像调用本地的服务一样。
l 责任:1. 封装特定的系统调用。2. 封装通讯的参数、控制信息等。
l 协作类:Client,Broker。
Server_Proxy:Server_proxy是与Client_Proxy相对应的,它接受请求,解包消息,解析出参数并调用服务的实现接口。
l 责任:1. 封装特定的系统调用。2. 封装通讯的参数、控制信息等。3. 调用server的服务接口。
l 协作类:Server,Broker。
Bridge:Bridge用来连接各个Broker,一般这个组件是可选的。当系统是发杂的网络组成时,有可能需要这一角色。
l 责任:1. 封装特定的网络特性。2. 传递Broker之间的通讯。
l 协作类:Broker。
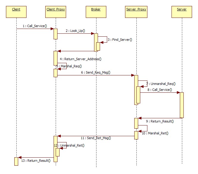
应用场景一:直接通讯方式。Client和Server相互理解他们之间的通讯协议。Broker主要完成Client和Server之间的握手。之后所有的消息、异常都是由Client与Server直接交互。(想象DNS)。简单对象交互如图:
l Broker启动,完成自身的初始化,之后进入事件循环,等待消息到来。
l Server启动,首先执行自身的初始化,然后注册自己到Broker。
l Broker接收Server的注册请求,将其加入到可使用服务的列表,并回应Ack给Server。
l Server接收Ack,进入事件监听循环,等待消息到来。
l Client调用远程服务对象的方法,Client_Proxy封装消息请其发送给Broker。
l Broker查询可使用的Server,将请求转发给Server。
l Server_Proxy解析消息,分离出参数和控制信息,并调用特定的Server实现接口。Server处理完的结果通过Server_proxy封装成消息转发到Server。
l Broker将相应消息转发给正确的Client_Proxy,Client受到响应继续其他逻辑。
简单对象交互如图:
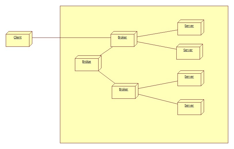
l Broker A接收到请求,交由Server处理,但是发现该Server位于其他的网络节点。
l Broker A将请求转发给Bridge A,Bridge A将请求进行必要的格式化,传送给Bridge B。
l Bridge B将请求进行必要的格式化,转化成Broker B可以理解的格式,并转发给Broker B。Broker B执行场景二中的过程,处理的结果按如上逆序返回。
简单对象交互如图:
1. 服务的位置透明性。
2. 组件的可变性及扩展性。由于Server是注册到Broker上的,所以Server可以动态的增加、删除、改变。
3. Broker之间可交互。
4. 可重用性。
5. 由于组件的耦合度较小,调试和测试的工作也是可控的。
1. 效率;增加了一层Broker的消息转发,效率有所降低。
2. 容错能力必须要特别考虑。
3. 调试和测试的工作加大。










还没有评论,来说两句吧...